Project #1252
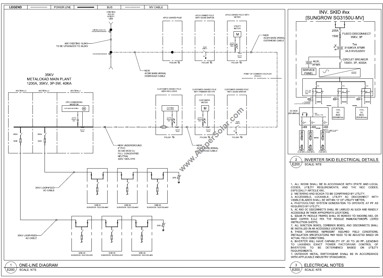
This is a 20MWDC/ 18.9MWAC, Single-Axis Tracker Ground Mount project. It consists of 37,440 Jinko solar modules with 6 Sungrow central inverters.
The project was designed for east-west tracking. 35kv AC was provided to the utility with underground cable within the project area to tie to the existing overhead line at POI. At the POI, several other poles were added to comply with NEC and local electric company protection and safety switch requirements.
